2.1- Plans du Famas F1 et INFANTERIE
Les différentes vues éclatées du Famas F1 (et INF) ainsi que les modifications de pièces au cours du temps
2-VUES ECLATÉES FAMAS
2.1- Plans du Famas F1 / INF






2.1.1- Dénomination des ensembles et sous-ensembles de pièces:
Les dénominations principales:












2.1.2- Vues Éclatées:
PGM (ou Poignée Garde-Main).
1ère et 2ème version de PGM résine:








PGMP (ou Poignée Garde-Main Polyvalente).




Bipied.




Crosse et appuie-joue.




Boitier mécanique / Limiteur de rafale à 3 munitions.


Masse additionnelle et culasse.




Boite de culasse.


Tube-enveloppe et mécanisme d'armement.






Fût.




Canon / porte-guidon.


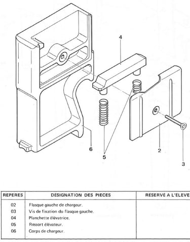
Chargeurs.




Baïonnette.


