Pseudo Felin sur Mil-Tec non modifié
Fabrication de plaquettes d'oreilles d'après photos. La version la plus basique.
CASQUE FELIN - AIRSOFT
Sommaire
1- Préambule
2- Les détails notoires
3- Modélisation de plaquettes sur MICH Mil-Tec non modifié
1- Préambule
Quand j'ai fait ce 1er ersatz de casque Felin, nous étions en 2019-2020. Le casque Felin était le casque courant de nos Armées et il ne courrait pas les rues dans le civile. Du coup à l'époque, j'ai fait ça uniquement à partir de photos. C'était mon 1er projet "Armée Française" que j'ai fait, tout seul dans mon coin. PAr la suite, j'ai eut de l'aide de tout un tas de gens et je les en remercie.
Le casque Felin s'étant démocratisé dans l'AdT (Armée de Terre), on commencé à avoir pas mal de photos en circulation pour se faire une bonne idée de sa forme. De plus j'avais une copie de MICH2000 (un Mil-Tec), un couvre-casque troué et une griffe Lucie cassée en stock pour parfaire l'illusion.


2- Les détails notoires
2.1- Harnais
Niveau sanglage, c'est une sorte de harnais en X sur la nuque à 1point d'attache à l'arrière et non 2 points comme tous les autres casques connus. Allez savoir pourquoi.
Au final, seul le casque TC F V2 (F pour France, Version 2 décliné en TC F NVG V2 ou TC F PADS V2 dixit MSA Gallet) possède un harnais similaire (mais le TC F NVG V2 possède un serre-tête interne au lieu de coussins de mousse (pads). Par contre (merci Wong), même s'il n'a qu'1 point d'attache, la mentonnière n'est pas la même.
Ouais, en fait c'est trop chiant, j'irais peut-être y installer un harnais en X à 2 points plutôt que le harnais en H que l'on trouve classiquement sur les casques d'airsoft, mais je ne m'amuserai pas à faire un harnais 1 points moi-même.
Je vais donc faire du 2 points c'est sur, après X ou H on verra.


2.2- Pads
Pour les pads, ben c'est du classique.
1 rond centrale et 6 rectangles sur les cotés.


2.3- Couvre-casque
Le couvre-casque original, au pire, 2 coups de ciseaux dans les velcro arrière et il s'adaptera sans soucis.


Restauration (rapiéçage et surfilage) d'un couvre casque en taille medium. Et pose sur ma réplique de casque félin.
Ça ne coute que 20€ sur ebay (rommeu-17 en vendait régulièrement à une époque; et parfois en très très bon état, contrairement au mien sur les photos).




2.4- Forme du casque
La forme générale est celle d'un MICH grosso-merdo (MSA Gallet TC2000, même fabricant donc). Je vais donc partir d'une copie de MICH. J'ai pris celle en fibre de verre "épaisse" avec un joint qui fait le tour d'environ 1cm d'épaisseur. Cette copie a la dimensions d'un vrai MICH en plus, c'est donc une bonne base.
Ma copie est la copie d'un MICH en taille medium, en demandant à des gens sur le forum France-Airsoft, les dimensions intérieurs que j'avais demandés (cf la photo) semblent identiques (à un vrai MICH). Donc autant rester sur la copie., c'est bien moins cher.
Le couvre casque félin se monte très bien dessus.


"Les oreilles" du Félin sont plus "anguleuses", mais c'est grossièrement la même forme. Avec un peu de pâte à modeler, j'obtiendrais une forme similaire pour mon moule.
Les plaquettes sur les oreilles sont l'élément clé visuellement pour reconnaître le casque Félin. En fait mettre le couvre-casque félin sur un MICH est suffisant pour faire illusion si on y ajoute les plaquettes.


A l'avant et à l'arrière, on a des fentes pour bien placer la griffe Lucie sur le joint du casque. Le joint du Félin a les bords plus arrondi que ma copie de MICH.
Même remarque: sous le couvre casque, personne ne le remarquera.


La face frontale du Félin est typique.
Il faudra, là, par contre que je découpe la copie de mon MICH pour aplatir la forme puis épaissir le tout pour imiter cette "surépaisseur".
En fait seul les "pros" remarqueront que la forme du front est différente si je porte un MICH avec un couvre-casque félin.


2.5- Couleur
"Ranger Green", "Vert OTAN"... selon les fournisseurs.
Sur la photo, "Vert Armée Française" pour la coque et "Vert OTAN" pour les plastique, ça ferait l'affaire.
Les maquettistes et les collectionneurs de véhicules mili vous feront 1001 théorie sur l'équivalent RAL. A vous de fouiller le net. Ou juste d'acheter une bombe de peinture dénommé "vert otan" histoire de ne pas se prendre la tête.


2.6- En résumé
Bref vous l'aurais compris. A mon sens, un couvre-casque et des plaquettes sur les oreilles d'une copie de MICH seront suffisant pour faire illusion à moindre coup.
La priorité n°1 sera donc la fabrication de plaquette pour MICH si j'arrive à modéliser la forme du MICH facilement.
Puis l'adapter sur mon félin home-made et sur d'autres casques.
3- Modélisation de plaquettes sur MICH Mil-Tec non modifié
3.1- Démontage et modification du MICH
D'abord, démontage du MICH Mil-Tec.
J'ai retiré les ronds de velcro et le joint pour me faciliter le travail du traçage.


Avec une règle souple (un truc de couturier surtout, ça épouse les forme), j'ai tracer une ligne blanche à distance constante de l'arrondi de l'oreille, histoire d'avoir un repère pour remplir la zone de pâte à modeler.
Une ligne médiane pour repérer la symétrie et les lignes de démarcation de la surépaisseur à l'avant.


J'ai limé aussi tout le tour de la coque aussi. Ça rebiquait, surement un défaut de leur moule d'origine; et j'en ai profité pour parfaire la rectitude à l'avant (flèches bleues): c'est du chipotage mais bon, autant avoir un modèle correcte. J'ai aussi rectifier le décrochage (flèche rouge) pour le faire plus anguleux comme c'est le cas sur le Félin.


3.2- Premier test
Bon comme la 1ère étape est censé être des plaquettes d'oreilles pour le MICH non-modifié, va falloir que je commence par ça donc.
N'ayant pas de scanner 3D à dispo, je vais tracer un maillage pour m'aider à modéliser la forme à ce niveau.
C'est une méthode, qui a fonctionné mais qui a ces limites. Je la laisse ici pour vous montrer comment j'ai fait. Mais au final, je suis passer à la photogrammétrie (cf plus loin).
D'abord je trace des lignes horizontales. Facile, un crayon à plat, et des trucs d'épaisseurs constantes. Ici des BD (Naheulbeuk).
Pour les lignes verticales, ben un truc ou je peux mettre le crayon en appuie et à angle droit avec le plan de travail en marbre. Ici une boite en bois.
J'ai aussi fait 2 diagonales. Mon maillage est prêt.


Plus qu'à utiliser des bouts de cartons et tracer la forme approximative une 1ère fois.
Puis découper et peaufiner au fur et à mesure.
Pour avoir mes gabarits de formes qu'ils faudra vectoriser à l'ordi.


Dernières prises de cotes pour la modélisation.


Et j'ai cherché une photo avec un casque bien de coté pour pouvoir l'imprimer à peu près à l'échelle.


Allez, on commence les choses sérieuses avec la modélisation 3D
On part de la photo mise à l'échelle et on y va. J'utilise Autodesk Fusion 360, c'est un super logiciel pro qui possède qui possède qui s'utilise légalement avec une licence gratuite (en temps que hobbyiste, c'est gratuit). Un logiciel ultra complet pour modéliser en imprimer en 3D, découper à la fraiseuse CNC..... bref un must have comme la suite Adobe.


Bon j'ai galéré au début pour modéliser la courbe du MICH.
J'ai lancé une impression ce soir d'une forme d'oreille, on verra demain ce que ça donne.
Fin d'impression ratée, tant pis.
De toute façon, ça marche mal sur les bords.
Bref le traçage sur le MICH et les gabarits en papier qui m'ont servit ici ne sont pas assez précis à mon gout.
Il va falloir changer de méthode.


3.3- Photogrammétrie
Au TechShop, ils ont un nouveau scanner 3D, mais le temps qu'ils se forment, qu'ils propose une formation, que je trouve une date qui me convienne (vu que je travaille en équipe, c'est compliqué), on sera déjà cette été avant que je puisse le modéliser.
Trop long.
Du coup en cherchant comment faire, je découvre la photogrammétrie. On prend des photos sous tous les angles et un logiciel interprète et modélise un objet mesh. Ça risque de m'aider grandement à défaut de pouvoir utiliser un scanner 3D.
AliceVision Meshroom semble pas mal comme logiciel (et c'est gratuit). Comme il n'est pas compatible avec mon vieux pc portable, j'ai testé à l'arrache sur un ordi du TechShop (cool, ça fonctionne là-bas, pas besoin de changer d'ordi chez moi pour ça!).
En discutant au TechShop on m'a montré un autre logiciel: visualisation sur Autodesk Meshmixer (gratuit lui-aussi) et qui permet de corriger facilement la forme scannée.
Oh, ça me plait bien. Pour un 1er test à l'arrache avec des photos pourris, c'est plutôt réussi (si si, je vous jure).
Va falloir que je fabrique un plateau tournant pour installer mon modèle à photographier et que j'emprunte un vrai appareil photo à mon frère pour faire une bonne série de photos.
Mais je crois que je tient le bon bout.


Du coup je vais me fabriquer un plateau tournant pour photographier et modéliser par photogrammétrie.
Au Techshop, dans le chutier, il y avait un bout de contreplaqué ovale (derrière, il y a un test raté de découpe à la CNC).
Avec des dimensions précises (60cm de long), il servira pour la mise à l'échelle de l'image plus tard (donc de casque modélisé).
Je vais le quadriller (au cas ou ça me servirait pour mettre à l'échelle) et pour cela, un peu d'adhésif de marquage, un coup de reste de peinture en bombe blanche (je vais rester avec un plateau de couleur clair pour le contraste des photos).


1ère séance photo.
J'ai "repeint" le casque avec une couleur clair pour que ça contraste avec la vue du jardin. Moucheté pour qu'il ait de la texture.
En parcourant le net, il parait que c'est ce qu'il y a de mieux pour la modélisation. Et comme les gens le font en tournant autour de l'objet, ben j'ai fait pareil. Exit le plateau tournant pour cette séance photo.
J'ai récupéré un gros apn pro à mon frère pour faire de belles photos bien net et sans trop de déformation. Sur les photos, j'ai fait attention à ne pas en prendre ou on voit mon ombre sur le casque.


Reste plus qu'à voir. Le traitement des 252 photos de 5 Megapixels est fort long. Du coup j'ai quitté le TechShop sans faire de modélisation. Tant pis, peut-être la semaine prochaine, on verra. Mais comme on a une preview pendant le process, je peut vous dire que ça a l'air de bien fonctionner. Je devrais avoir un beau rendu final.
Donc un traitement des photos sur MeshRoom, ça prend quelques heures.
Le logiciel demande une carte graphique NVidia moderne avec du Cuda dedans (et ouais, en informatique, ça sort des mots incompréhensibles à tout bout de champ!)


3.4- Modélisation
Pour passer sur Fusion360, mon logiciel de modélisation 3D. L'idéal pour travailler est un fichier en quad-mesh et non en mesh triangulaire (le fichier mesh classique des imprimante 3D) car un objet à faces triangulaires, il ne sait pas le traiter comme un objet, alors de là à le découper, faire une opération booléenne... c'est mort.
D'ou le passage sur MeshLab. Mais c'est galère, je tâtonne et au final j’obtiens un fichier en pseudo quad-mesh qui s'exporte en tri-mesh quand même: argh !
Bon ça passe quand même, mais c'est bien chiant.
Il y a un logiciel de retopologie qui convertit un objet tri-mesh en quad mesh instantanément et de manière parfaite pour moi: c'est Instant Meshes. Le hic c'est qu'il faut compiler le fichier exe avec CMake, Visual Studio et blablabla... je comprend rien moi, je ne suis pas programmeur bordel !
Ça fait grave chier, parce que l'exe fonctionne, je peut modéliser en quad mesh, mais je ne peut pas sauvegarder, j'ai un message d'erreur. Et il n'y a aucun lien qui explique comment faire et/ou qui rapporte cette erreur.
Tant pis, je me suis débrouiller autrement pour l'instant.
J'ai découper mon fichier de mich pour ne garder qu'un tronçon avec l'oreille. J'ai simplifier le maillage, et j'ai réussit après jonglage sur MeshMixer et MeshLab au bout d'1h à importer un fichier que Fusion arrive à peu près à utiliser.
Du coup, je me débrouille pour dessiner moi-même les faces de quad-mesh (surface T-Spline ou BRep si j'ai bien compris dans Fusion360) sur mon tronçon de mich. C'est long, mais au moins c'est fait.
A partir de là, Fusion360, au bout de quelques corrections de maillage, a enfin accepté de me faire ma surface organique (dès qu'on part sur des formes arrondies, galbées comme sur un visage, un personnage... on parle de surfaces organiques; à contrario de la surface géométrique plane).


Ensuite conversion du fichier en stl pour l'impression 3D
Enfin Cura pour la création du fichier en Gcode compréhensible par l'imprimante 3D
Tout ça pour.... encore un test pour voir si la forme scannée correspond bien à mon casque d'airsoft.


Et bien je suis sur le cul ! Avec toutes ces imprécisions, j'arrive à un résultat parfait. Aucune retouche ni problème d'échelle. La forme de l'oreille est parfaitement respectée. Le pré-travail est finit, sans retouche.
Ça m'arrange parce que je vais enfin pouvoir commencer le boulot: modéliser cette plaquette d'oreille.


1er test, avec la forme de la plaquette tirée de la photo que j'ai essayé de mettre à l'échelle à vue de nez. C'est pas trop mal. Mais clairement elle est trop longue


Du coup j'ai redessiné le truc en faisant l'ensemble moins long. 5h d'impression plus tard, verdict: là je suis pas mal du tout en terme de dimensions.


En retirant la bordure du casque, la forme suis bien mieux mon impression 3d.


Après avoir creusé l'intérieur pour faire de la place au joint et pas mal de retouches par-ci par là, je suis arrivé à un modèle qui me convient. Ça m'a couté pas mal d'heures d'impressions au final. Et la découverte de la modélisation organique qui n'est vraiment pas aisé (pleins de contraintes, devoir redessiner l même chose à chaque retouche, c'est vraiment chiant, mais bon.... j'y suis enfin.
La forme de l'oreille du MICH étant trop arrondie pour bien suivre avec cette plaquette anguleuse, il a fallut faire pas mal de compromis. Mais ça y est. J'ai finit mes tests de formes. Plus qu'à modéliser correctement la plaquette maintenant.


Du coup après une bonne centaines d'heures passées à modéliser, recommencer, re-modéliser, re-recommencer j'arrive enfin au bout du tunnel.
J'ai ajouté en option une fausse vis si vous ne voulez/ pouvez pas percer le casque.


3.5- Plaquettes porte-accessoires
Voilà, la plaquette pour MICH Mil-Tec est enfin prête.
Ici monté sur le début de MICH Mil-Tec modifié mais bon.


En version peinte en vert avec la griffe Lucie pour faire illusion


Et enfin avec le couvre-casque en plus.
Perso je trouve que ça fait suffisamment impression casque félin, pas vous?


Je viens de me prendre un MICH Emerson Gear (en plastique, pas en résine comme mon modèle précédent).
La forme ne fonctionne pas, elle est moins "tassée".
Du coup je vais devoir re-modéliser une plaquette pour le modèle Emerson.


3.6- Plaquettes porte-accessoires customisées
De base, on ne peux rien fixer dessus hormis des visières et une maxillaire.
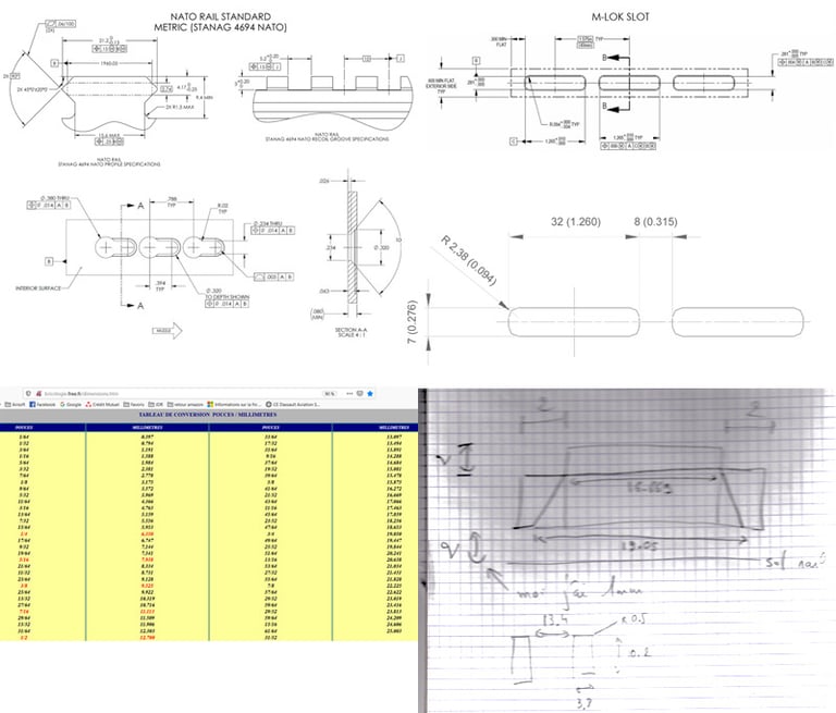
Pour les adaptateurs d'accessoires home-made, j'ai fouillé le net pour trouver les spécifications du Picatinny, du Keymod, MOE, M-lok.
Par contre, pour le rail d'accessoires Ops-Core, impossible de trouver ses dimensions. Du coup, j'ai mesuré différents rails (Ops-Core, FMA, TM) et des accessoires (Peltor, FMA, Emerson) pour deviner les dimensions. comme c'est ricain, je me suis dit que ça doit être des fractions standards d'inchs/pouces, donc j'ai regardé au plus près avec un tableau de conversion pour pondre des dimensions que je pense être suffisamment proche de la réalité.


Ensuite pour la modélisation, j'ai commencé par le rail Ops-Core.
La plaquette a une partie amovible et une fente pour y adapter soit le "H" d'origine, soit des adaptateurs d'accessoires.


Ça donne ceci en gros:
1ère ébauche visuelle. Avant de passer encore des heures à peaufiner la forme, j'ai d'abord fait un test d'impression pour voir ce que ça donne.
Vous pouvez donc voir que la plaquette a une partie amovible pour pouvoir y insérer un adaptateur de rail ops-core (encore à l'état d'ébauche, mais je dois déjà voir si l'angle est bon: oui parce que bon, si j'y fixe une lampe et que je me rend compte qu'elle éclaire sur le coté parce que ce n'est pas dans l'axe du casque, ça ne sert à rien de modéliser de suite les adaptateurs d'accessoires picatinny, m-lok, moe en sus.


Une photo de mise en situation de cette plaquette, avec la fausse vis et l'"aileron amovible" en place. Bref, si vous ne voulez pas mettre d'adaptateur de rail pour l'instant, vous pouvez déjà simplement avoir la plaquette félin de base de monté dessus.


Pour gagner du temps à l'impression, histoire d'avoir un test sur une journée, j'avais fusionné l'adaptateur et le rail ops core pour tester. Pas de bol, j'étais loin du compte.
J'étais clairement trop incliné, si je mettais une lampe, elle va fixer au mieux le centre de ma vue si je regarde une carte, mais n'éclairera pas devant moi dans une pièce. Bref, j'ai refait une plaquette, cette fois avec adaptateur amovible et refait plusieurs essais avec différents angles d'inclinaison pour trouver un truc acceptable.


Bon voilà la version de plaquette finale.
Une plaquette "nue" avec des rainures pour y installer des adaptateurs qui seront maintenus par une "goupille" à l'arrière.
A gauche, la version "félin classique":
L'"aileron amovible" est en 2 versions: une à rails courts et une à rails long.
Il y aura une "goupille" à l'arrière pour finir de faire illusion.
Ainsi qu'une fausse vis au cas ou vous ne voulez pas percer votre mich comme j'ai dit.
A droite, la version "félin Ops-Core":
L'adaptateur et sa "goupille".


L'adaptateur Ops-Core pourra être bloqué par les 2 goupilles sans soucis.


Ce qui donne ceci une fois imprimé:


Puis on peaufine, on peaufine...
Sur le haut de la plaquette, j'ai fait 2 creux "sphériques".
Sur le bas, au niveau de la fausse vis, j'ai fait un renfoncement/goulotte.
La fausse vis possède un "ergot". Aussi, on doit forcer pour la rentrer dans le trou duquel elle ne pourra plus s'enlever une fois clipsée dans la rainure/goulotte de la plaquette


Pour l'"aileron" (en rouge), au final, il n'y aura qu'une version "courte". Le rail possède une excroissance sphérique (la boule) qui se "clipse" sur la rainure de la plaquette.
La "goupille" à l'arrière (en beige), aura bien 2 versions. Une avec et une sans excroissance sphérique. Cette excroissance, c'est juste si vous avez peur de la perdre en cour de route. Mais comme je n'ai mis aucun jeu pour l'insérer, elle rentre en force déjà d'origine. C'est juste au cas ou.
Pour l'adaptateur ops-core (en vert) et sa "goupille", pas d'excroissance sphérique "clipsable". La partie "goupille" possède, elle, une fente pour pouvoir la retirer avec l'oncle ou un tournevis plat. Comme la goupille classique, aucun jeu, donc ça rentre en force aussi. Il y a 1/10ème de mm de jeu sur les rails de l'adaptateur ops-core, mais vu que ça "force" sur toute la longueur, ç a tient déjà tout seul en place sans risque.
Voilà pour les détails.


Je n'ai pas imprimé tous les modèles, juste la version M-LOK, histoire de voir si j'avais de la place dessous pour fixer les accessoires correctement.
Don il y a la version M-LOK, MOE, PICATINNY et KEYMOD
J'ai aussi laisser 2 versions vierges et creuses, si vous voulez juste percer et fixer des trucs vous-même.
L'épaisseur est de 3mm, c'est plus que la normal, surtout pour le KEYMOD. Mais comme c'est prévu pour une impression 3D classique, je trouve qu'il vaut mieux avoir 3mm d'épaisseur histoire que ça ne se casse pas au 1er choc venu.
Notez aussi que les trous/fentes sont excentrés et non parallèle à la pièce, c'est normal vu que tout l'ensemble suit des courbes et des angles dans tous les sens.
Voilà, la version pour casque MICH, c'est finit.





